| Sign In | Join Free | My chinacomputerparts.com |
|
Brand Name : ESEN
Model Number : EPD-290BWR
Certification : ISO9001/ISO14001
Place of Origin : Shenzhen China
MOQ : 2000 PCS
Price : can be negotiated
Payment Terms : L/C,T/T
Supply Ability : 500K/mth
Delivery Time : 15~20 working days
Packaging Details : Cartons, Capboard, EPE, Blister Tray.
Custom Service : Provide customized services
Always validate driver IC compatibility (e.g., SSD1680, UC8179). Waveform LUTs (Look-Up Tables) for tri-color + fast refresh differ from monochrome displays.
Suggested Troubleshooting Tools:
Logic analyzer for SPI signals
Temperature-controlled testing environment
epdiy firmware (open-source EPD debugger)
Let me know if you need protocol details or waveform configuration examples!
| Product: | 2.9 Inch Eink EPaper Display |
| Resolution: | 296 X 128 Dots Resolution |
| Display Mode: | Active Matrix Electrophoretic Display (AM EPD) |
| Optics: | All Viewing Angles |
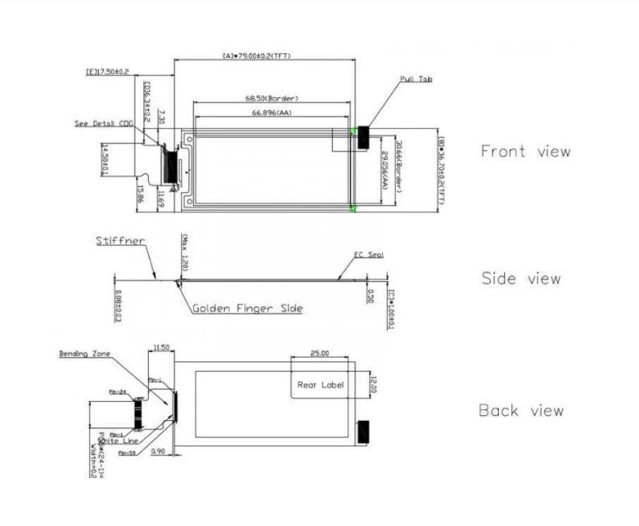
| Outline Dim.: | 79.0(H) X 36.7(V) X 1.0(T) Mm |
| Active Area: | 66.896(H) X 29.056(V) Mm |
| Pixel Pitch: | 227 X 226 (112dpi) Um |
| Operating Temp: | 0°C To +40°C |
| Storage Temp: | -25°C To +60°C |
| Color: | Black/White/Red |
| Surface Treatment: | Anti-Glare, 3H |
| Pin Number: | 24 Pins |
| Interface: | SPI |
| Pixel Arrangemen: | Vertical Stripe |
| Input Current: | 3.1 MA |
| Compliance: | Rohs & Reach Compliant |
Drawing

Interface pin definition:
| Pin# | Single | Description | Remark |
| 1 | NC | No connection and do not connect with other NC pins | Keep Open |
| 2 | GDR | N-Channel MOSFET Gate Drive Control | |
| 3 | RESE | Current Sense Input for the Control Loop | |
| 4 | NC | No connection and do not connect with other NC pins | Keep Open |
| 5 | VSH2 | Positive Source driving voltage | |
| 6 | NC | No connection and do not connect with other NC pins | Keep Open |
| 7 | NC | No connection and do not connect with other NC pins | Keep Open |
| 8 | BS1 | Bus selection pin | Note 6-5 |
| 9 | BUSY | Busy state output pin | Note 6-4 |
| 10 | RES # | Reset signal input. | Note 6-3 |
| 11 | D/C # | Data /Command control pin | Note 6-2 |
| 12 | CS # | The chip select input connecting to the MCU. | Note 6- 1 |
| 13 | SCL | Serial clock pin for interface. | |
| 14 | SDA | Serial data pin for interface. | |
| 15 | VDDIO | Power input pin for the Interface. | |
| 16 | VCI | Power Supply pin for the chip | |
| 17 | VSS | Ground (Digital) | |
| 18 | VDD | Core logic power pin | |
| 19 | VPP | Power Supply for OTP Programming | |
| 20 | VSH1 | Positive Source driving voltage | |
| 21 | VGH | Power Supply pin for Positive Gate driving voltage and VSH | |
| 22 | VSL | Negative Source driving voltage | |
| 23 | VGL | Power Supply pin for Negative Gate driving voltage, VCOM and VSL | |
| 24 | VCOM | VCOM driving voltage |
Product Overview:
The EPD-290BWR is a high-resolution, low-power electronic ink display module that is highly suitable for a wide range of applications. It measures 2.9 inches, has a resolution of 128×296, and supports black, white and red. It can be used to display text, images and graphics clearly and efficiently.
The main features of EPD-290BWR are as follows:
· High resolution: 112dpi, capable of easily displaying fine patterns
· Low power consumption: Requires very little power during updates and can maintain images without power
· Ultra-wide viewing Angle: Nearly 180°, allowing for easy viewing from any Angle
· Ultra-thin and ultra-light It is highly suitable for portable applications.
· SPI interface: Can be easily connected to a microcontroller.
· Compliant with RoHS standards: Meets environmental protection standards
Typical applications of EPD-290BWR:
· e-readers · Digital signage
· Electronic shelf labels
· portable gaming devices
· etc
Additional note:
The operating temperature range of EPD-290BWR is from 0 to +40 degrees Celsius. The storage temperature range of EPD-290BWR is from -20 to +60 degrees Celsius. The monitor is sensitive to moisture and ultraviolet rays. It is recommended to store the monitor in a cool, dry and dark place.
Tri-Color Display (Black/White/Red)
High-contrast three-color rendering for critical information highlighting (e.g., prices, alerts).
Fast Refresh Capability
Partial refresh as low as 0.3s (flicker-free) and full refresh in 1.5–3s, enabling dynamic content updates without prolonged delays.
Ultra-Low Power Consumption
Zero power when static (bistable technology); only consumes energy during refreshes (~30mW).
Sunlight-Readable & Wide Viewing Angle
Reflective display with >170° viewing angle, glare-free in direct sunlight.
Durability and Flexibility
Optional flexible substrates for bendable designs (e.g., wearable devices, curved surfaces).
Wireless and Battery-Free Options
Supports NFC/UHF wireless updates without batteries (energy harvesting for zero-maintenance tags).
Easy Integration
Standard SPI interface with open-source drivers for Raspberry Pi, Arduino, STM32, and ESP8266/32 platforms.
Smart Retail & Logistics
Electronic shelf labels (ESL), inventory tags, and warehouse management systems for real-time price/stock updates.
Industrial Instrumentation
Low-power displays for sensors, meters, and portable diagnostic tools in harsh environments.
Healthcare & Tracking
Medication labels, patient wristbands, and hospital bed cards with secure, non-volatile information display.
Smart Consumer Devices
Secondary smartphone screens (e.g., phone cases showing notifications/battery status without draining power).
Sustainable IoT Solutions
Solar-powered signage, baggage tags, and NFC-enabled smart posters for public spaces.
Refresh Mode Management
Partial Refresh Limit: Use ≤10 partial refreshes before a full refresh to prevent ghosting.
Full Refresh Time: ~2–3 seconds required for clean transitions.
Temperature Sensitivity
Operating Range: 0°C to 50°C (performance degrades beyond this).
Red Color Lag: Red pigment refreshes slower in cold environments (<10°C).
Voltage Requirements
Strictly follow logic voltage (3.3V) and VCOM driver voltage (±15V±0.5V).
Mechanical Protection
Avoid pressure on the active area (glass substrate vulnerability).
No direct cleaning – use dry microfiber cloth only.
UV Exposure
Prolonged sunlight may fade red pigment; add UV filter for outdoor use.
ESD Sensitivity
Handle with grounded wrist straps; ESD can permanently damage e-ink film.
Q1: How "fast" is partial refresh?
A: Partial refresh takes 0.3–0.5s (flicker-minimized), but requires a full refresh (~2s) every 5–10 updates to clear ghosting.
Q2: Can I drive this with Arduino/Raspberry Pi?
A: Yes, via SPI interface. Use libraries like GxEPD (Arduino) or waveshare-epd (RPi). Ensure your driver board supports tri-color waveforms.
Q3: Why does red update slower than black/white?
A: Red electrophoretic particles have higher inertia. Full refresh is needed for crisp red elements.
Q4: Does it work below 0°C?
A: Not recommended. Below 0°C, refresh time increases significantly (>5s), and red may fail to update.
Q5: How to fix persistent ghosting?
A: Run a 3-step sequence: Full white → Full black → Full white refresh. Avoid high-contrast partial updates.
Q6: Can I use wireless (NFC/RF) updates?
A: Only with dedicated ESL controller ICs (e.g., RA8875). Standard SPI displays require wired control.
Q7: Why does red appear muddy after partial refresh?
A: Red requires full-voltage waveforms. Use EPD_FULL mode for red elements or reduce partial refresh frequency.
Q8: Power consumption during refresh?
A: ~25–35mA @3.3V during update (30–50mW), zero in static mode.
Q9: Is touch overlay compatible?
A: Possible but not advised. Overlays reduce clarity and reflectivity. Use IR/frame-based touch instead.
Q10: How to optimize battery life?
A:
Minimize full refreshes
- Bundle updates (e.g., change all elements at once)
- Use deep sleep on controller IC between updates
|
|
2.9 inch Tri-Color E Ink Display Fast Refresh, Zero Static Power, Perfect for Smart Labels & Battery-Free IoT Images |